屏蔽型顶扩母线连接器
屏蔽型顶扩母线连接器主要以绝缘外套和导电铜件构成,导电铜件采用冷压处理后密度高,表面进行镀银处理有更好的导电流性能,然后嵌压在绝缘外套内。绝缘外套采用耐高温、抗老化的硅橡胶绝缘材料制造且内部设计独特,使复杂的电场均匀分布,产生优异的性能且使用寿命长,线状接触面设计方案,更好保证导体的通流能力。
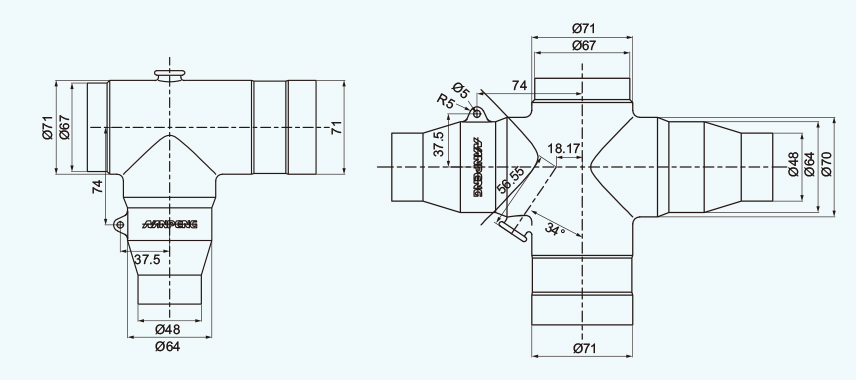
母线链接器由母线与丁字接头、十字接头组合而成,母线长度300~700之间任意定制。适用于8.7/15kV,额定电流630A、800A和1250A的电气系统,套管接口符合DIN47636、EN50180&50181标准要求。
主要配件
十字接头、丁字接头、堵头、后封帽、母线、变径螺栓、铜垫、六角套筒、硅脂膏、清洁纸
相配套产品

电气性能

注:该产品满足GB/T8349、GB/T11022要求。

结构尺寸
